Hallo,
wenn ich die Widerstandswerte richtig abgelesen habe, lauten diese:
R1 = 10 Ω , R2 = 2 Ω , R3 = 5 Ω und R4 = 4 Ω
Wenn diese Werte richtig sind, hier die Lösung zum Vergleich mit deiner Rechnung:
UR4 = 2 V
IR4 = 0,5 A
Hinweis: die Berechnung scheint schwieriger als sie tatsächlich ist.
Gruß von hightech
Als Ergänzung hier die ausführliche Berechnung:
1) Nach dem Überlagerungsverfahren:
a) Nur die Quelle U1 ist aktiv
Aus dem Schaltbild lässt sich dann folgendes lineare Gleichungssystem herleiten
10•IR1 + 5•IR3 - 4 = 0
4•IR4 + 2•IR4 + 10•IR1 - 4 = 0
IR3 + IR4 - IR1 = 0
Löst man das Gleichungssystem nach IR4 auf, erhält man: IR4 = 0,1428 A (siehe Bild 1)
Bild 1:

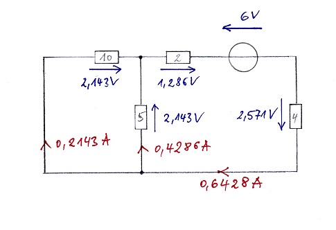
b) Nur die Quelle U2 ist aktv
Aus dem Schaltbild lässt sich dann folgendes lineare Gleichungssystem herleiten
4•IR4 + 5•IR3 + 2•IR4 - 6 = 0
4•IR4 + 10•IR1 + 2•IR4 - 6 = 0
IR1 + IR3 - IR4 = 0
Löst man das Gleichungssystem nach IR4 auf, erhält man: IR4 = 0,6428 A (siehe Bild 2)
Bild 2:

Nach dem Überlagerungssatz werden nun die Ströme aus a) und b) vorzeichenrichtig !! addiert.
Als Ergebnis erhält man die Werte wie in Bild 3 eingezeichnet:
Bild 3:

Als Ergebnis erhält man: UR4 = 2 V und IR4 = 0,5 A
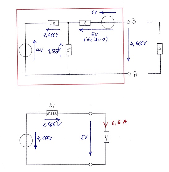
2) Nach dem Thevinin-Theorem:
Hierzu wird R4 aus der Schaltung herausgelöst und für die restliche Schaltung (rot eingezeichnet) die Ersatzspannungsquelle berechnet. Wie man das macht sollte bekannt sein. Danach wird R4 an die Ersatzspannungsquelle angeschlossen und IR4 berechnet.
Als Ergebnis erhält man: IR4 = 0,5 A (das gleiche Ergebnis wie nach dem Überlagerungssatz), siehe Bild 4.
Bild 4:

Gruß von hightech